十大娱乐老平台

旋转接头

首页 - 产品展示

十大娱乐老平台

MXPH型 双通路(内管旋转式)

型号:MXPH
外管:螺纹或法兰
特征:平面式密封设计; 标准浸锑或碳石墨密封技术; 平衡式非金属组合摩擦设计或平衡式非金属摩擦副设计; 单弹簧设计; 自支撑式设计; 双轴承间距支撑; 铜合金壳体; 单通路和双通路设计; 低扭矩。

技术参数:
适用介质 水、油
最高温度 ≤120℃(水)、≤260℃(油)
最高压力 ≤1.0MPa
最高转速 ≤1500rpm

产品咨询 返回列表

销售服务热线:

0595-8686 1188

十大娱乐老平台


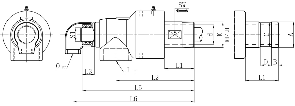
Model K I O S S1 d L1 L2 L3 L5 L6 SW 法兰式外管尺寸对照表
A B C D
50A R2" Rp2” Rc1" Rp1” 32 46 69 181 25 261 285 57 60 16 57 24

如属规格品外,本公司可配合要求制作。
规格尺寸如有修改,恕不另行通知。 

Copyright ©十大娱乐老平台 版权所有 闽ICP备05026600号 中机标准化研究院 网站建设:科伟网络