十大娱乐老平台

旋转接头

首页 - 产品展示

十大娱乐老平台

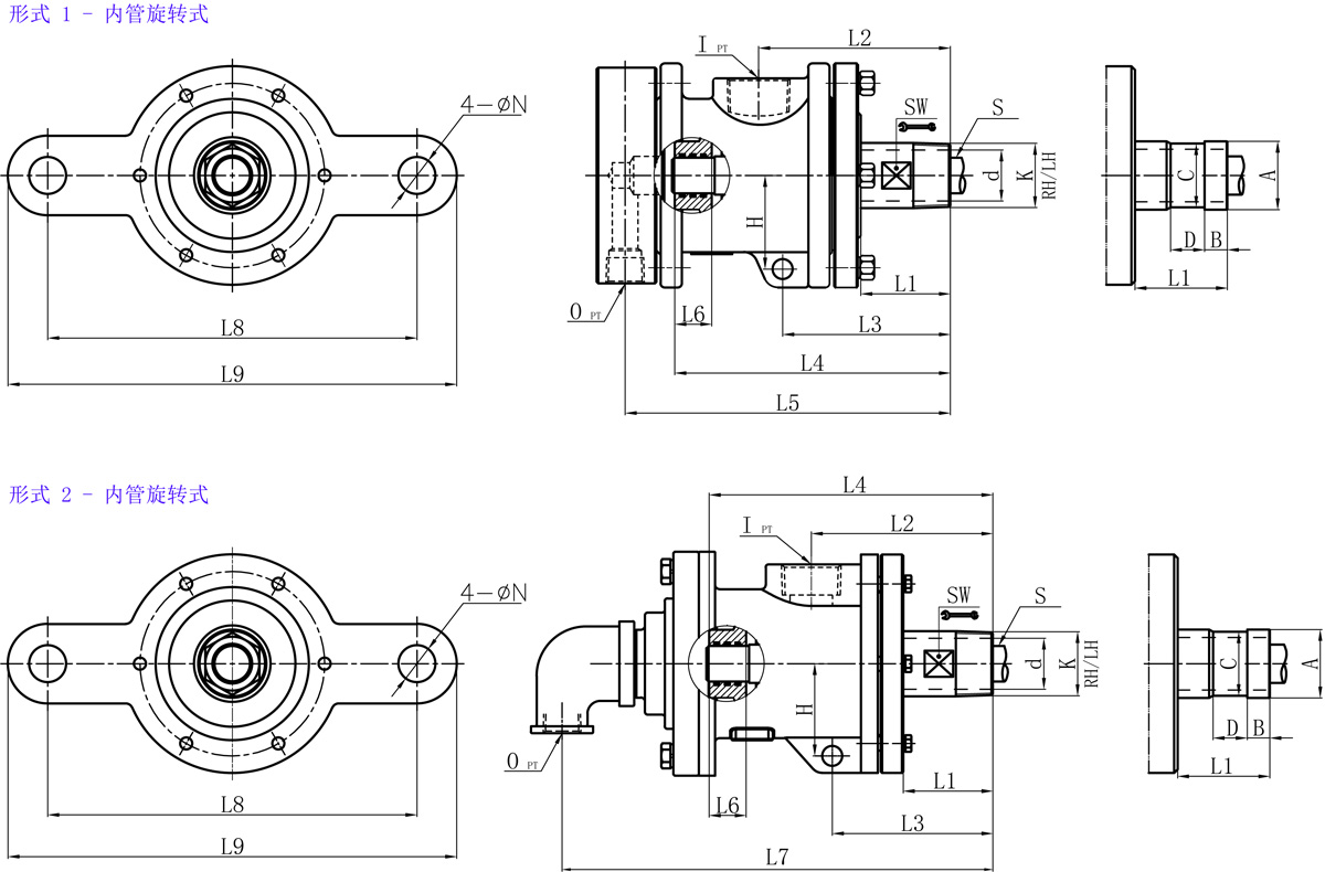
MXQ2型 双通路(内管旋转式)

型号:MXQ2
外管:螺纹或法兰
特征:适用于蒸汽介质; 球面密封设计; 可更新式密封盖; 新型旋转接头升级产品; 外部支撑杆。

技术参数:
适用介质 蒸汽
最高温度 ≤220℃
最高压力 ≤2.5MPa
最高转速 ≤300rpm

产品咨询 返回列表

销售服务热线:

0595-8686 1188

十大娱乐老平台


Model K I O S1 d L1 L2 L3 L4 L5 L6 L7 L8 L9 N SW H 法兰式外管尺寸对照表
A B C D
32A R1-1/4" Rc1" Rc1/2" 20 28 64 133 112 198 213 35 / 190 310 20 39 58 40 13 38 20
40A R1-1/2" Rc1-1/4" Rc3/4" 25 36 77 149 132 198 243 26 / 206 316 26 45 66 47.8 13 45 20
50A R2" Rc1-1/2" Rc1" 32 45 77 149 132 216 262 24 286 250 350 24 57 75 60 16 57 24

如属规格品外,本公司可配合要求制作。
规格尺寸如有修改,恕不另行通知。

Copyright ©十大娱乐老平台 版权所有 闽ICP备05026600号 中机标准化研究院 网站建设:科伟网络