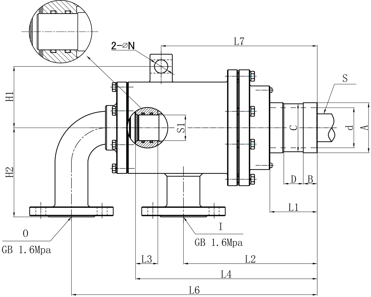
RN
| Model | I | O | S1 | d | L1 | L2 | L3 | L4 | L6 | L7 | N | H1 | H2 | 法兰式外管尺寸对照表 | |||
| A | B | C | D | ||||||||||||||
| 65A | DN40 | DN32 | 40 | 58 | 75 | 195 | 30 | 266 | 415 | 230 | 18 | 106 | 165 | 74 | 19 | 70 | 24 |
| 80A | DN40 | DN40 | 46 | 72 | 85 | 225 | 40 | 326 | 440 | 289 | 24 | 110 | 160 | 87 | 25 | 84 | 24 |
| 90A | DN50 | DN50 | 58 | 80 | 100 | 245 | 40 | 346 | 473 | 300 | 25 | 116 | 170 | 100 | 25 | 96 | 30 |
| 100A | DN65 | DN65 | 75 | 90 | 105 | 270 | 47 | 400 | 536 | 340 | 25 | 133 | 185 | 114 | 25 | 109 | 35 |
| 125A | DN100 | DN100 | 85 | 125 | 120 | 310 | 60 | 479 | 670 | 450 | 30 | 158 | 215 | 148 | 25 | 142 | 35 |
| 150A | DN125 | DN125 | 110 | 140 | 130 | 380 | 60 | 550 | 810 | 430 | 30 | 178 | 260 | 166 | 30 | 160 | 38 |
如属规格品外,本公司可配合要求制作。
规格尺寸如有修改,恕不另行通知
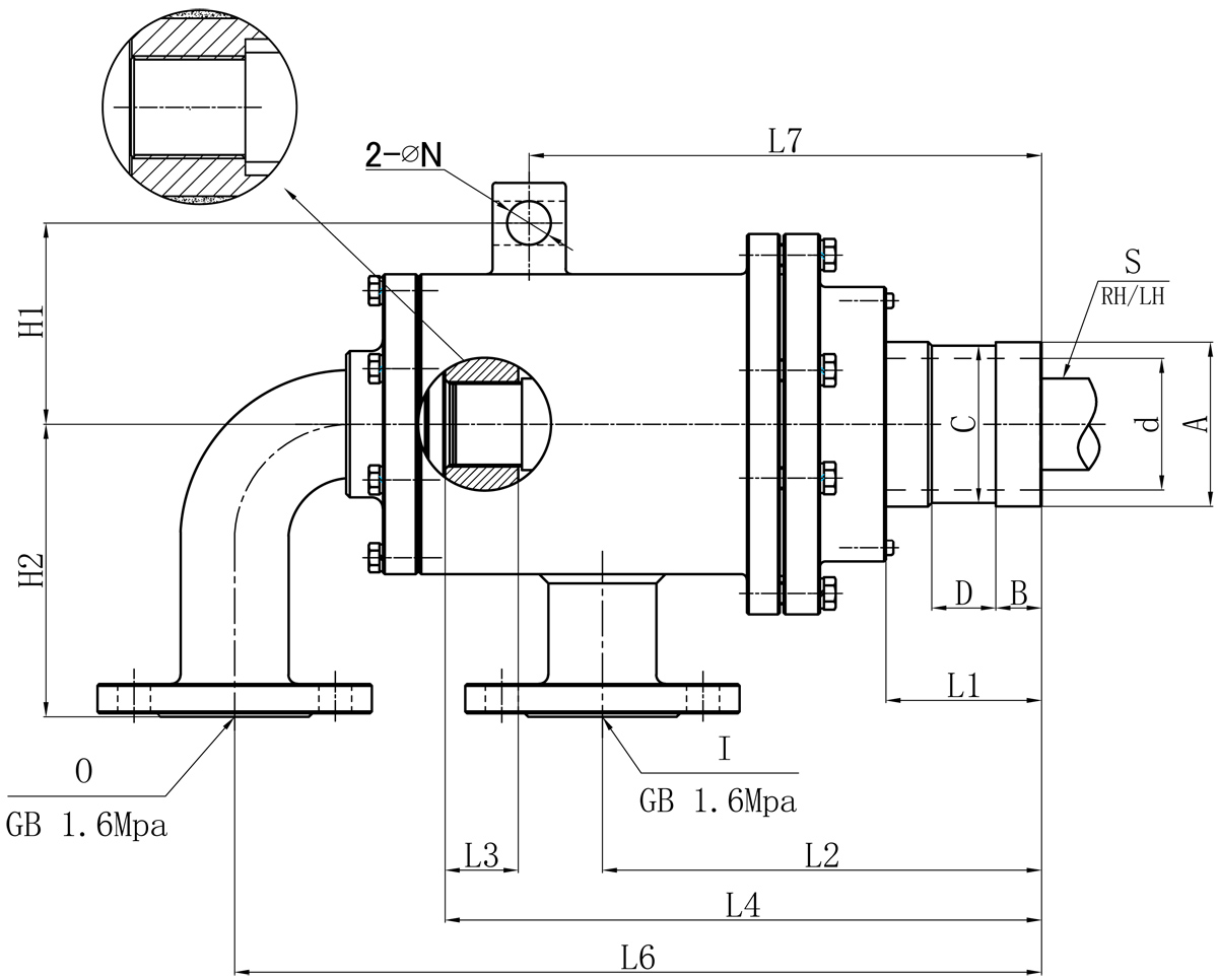
RT
| Model | I | O | S | d | L1 | L2 | L3 | L4 | L6 | L7 | N | H1 | H2 | 法兰式外管尺寸对照表 | |||
| A | B | C | D | ||||||||||||||
| 65A | DN40 | DN32 | Rc1-1/4" | 58 | 75 | 195 | 30 | 266 | 415 | 230 | 18 | 106 | 165 | 74 | 19 | 70 | 24 |
| 80A | DN40 | DN40 | Rc1-1/2" | 72 | 85 | 225 | 40 | 326 | 440 | 289 | 24 | 110 | 160 | 87 | 25 | 84 | 24 |
| 90A | DN50 | DN50 | Rc2" | 80 | 100 | 245 | 40 | 346 | 473 | 300 | 25 | 116 | 170 | 100 | 25 | 96 | 30 |
| 100A | DN65 | DN65 | Rc2-1/2" | 90 | 105 | 270 | 47 | 400 | 536 | 340 | 25 | 133 | 185 | 114 | 25 | 109 | 35 |
| 125A | DN100 | DN100 | Rc3" | 125 | 120 | 310 | 60 | 479 | 670 | 450 | 30 | 158 | 215 | 148 | 25 | 142 | 35 |
| 150A | DN125 | DN125 | R4" | 140 | 130 | 380 | 60 | 550 | 810 | 430 | 30 | 178 | 260 | 166 | 30 | 160 | 38 |
如属规格品外,本公司可配合要求制作。
规格尺寸如有修改,恕不另行通知。
Copyright ©十大娱乐老平台 版权所有 闽ICP备05026600号 中机标准化研究院 网站建设:科伟网络