十大娱乐老平台

旋转接头

首页 - 产品展示

十大娱乐老平台

RH型 双通路(内管固定式)

型号:RHSG、RHSGF
外管:螺纹或法兰
特征:平面密封设计; 高精度动轴承; 不锈钢外管; 最佳密封配合面; 高转速、低扭矩; 长寿命、可靠性高。

技术参数:
适用介质 水、油、空气
最高温度 ≤120℃(水)、≤260℃(油)
最高压力

6A-50A   ≤1.0MPa

65A-80A ≤0.8MPa

最高转速

6A-50A    ≤1500rpm

65A-80A  ≤800rpm


产品咨询 返回列表

销售服务热线:

0595-8686 1188

十大娱乐老平台


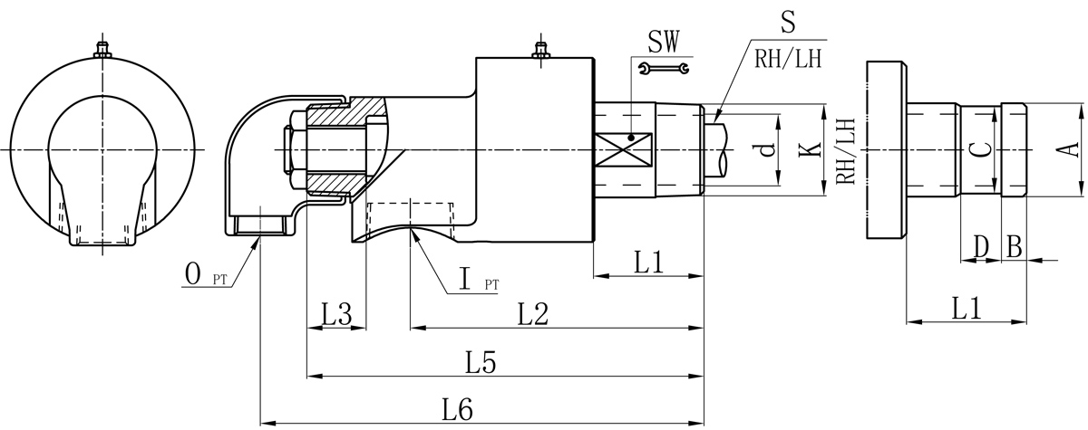
Model K I O S d L1 L2 L3 L5 L6 SW 法兰式外管尺寸对照表
A B C D
15A R1/2" Rc1/2" Rc1/2" Rp1/8" 13 35 85 28 135 149 20 / / / /
20A R3/4" Rc3/4" Rc1/2" Rp1/4" 17 38 105 30 145 160 26 26 11 24 16
25A R1" Rc3/4" Rc1/2" Rp3/8" 21 41 113 25 155 168 31 34 12 32 18
32A R1-1/4" Rc1-1/4" Rc1/2" Rp1/2" 30 48 138 35 194 207 41 40 13 38 20
40A R1-1/2" Rc1-1/2" Rc3/4" Rp3/4" 36 53 148 37 206 225 46 47.8 13 45 20
65A R2-1/2" Rc2" Rc1-1/4" Rp1-1/4" 60 79 214 45 289 316 80 74 19 70 24
80A R3" Rc2-1/2" Rc2-1/2" Rp2-1/2" 72 85 231 49 322 349 87 87 25 84 24

如属规格品外,本公司可配合要求制作。
规格尺寸如有修改,恕不另行通知。

Copyright ©十大娱乐老平台 版权所有 闽ICP备05026600号 中机标准化研究院 网站建设:科伟网络