十大娱乐老平台

旋转接头

首页 - 产品展示

十大娱乐老平台

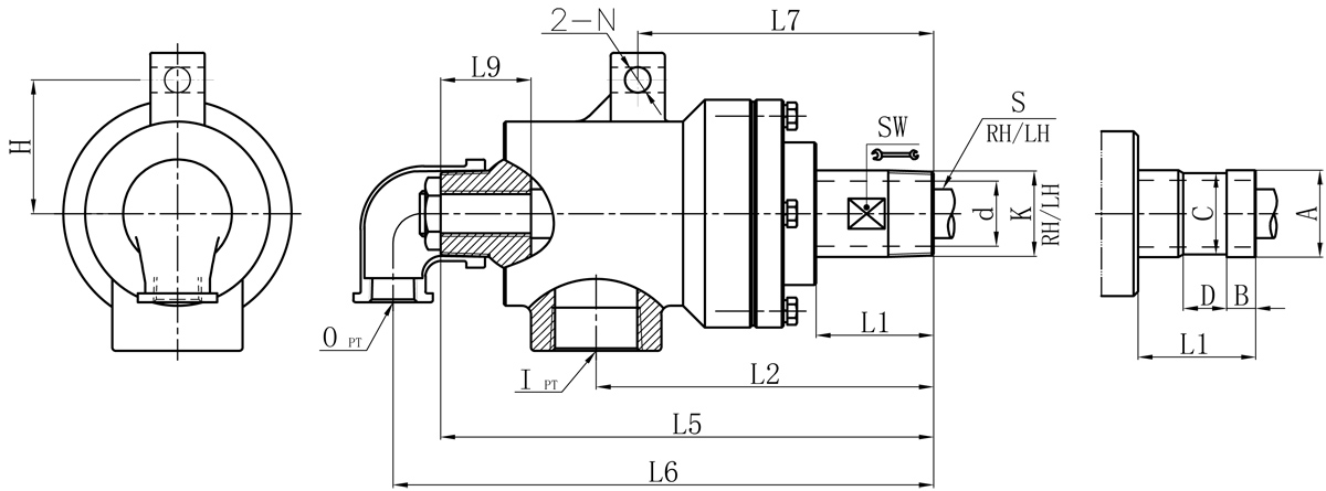
YJ2型 双通路(内管固定式)

型号:YJ2SG、YJ2SGF
外管:螺纹或法兰
特征:球面密封设计; 标准碳石墨密封技术; 宽间距多道无油轴承支撑; 精密铸铁壳体; 单通路和双通路设计; 可自动调心; 旋转轴表面经耐磨损、耐腐蚀处理; 密封磨损刻度线,可预防性维护设计; 偏摆适应性强。

技术参数:
适用介质 导热油、蒸汽
最高温度 ≤300℃(热油)、≤220℃(蒸汽)
最高压力 ≤1.8MPa
最高转速 ≤200rpm

产品咨询 返回列表

销售服务热线:

0595-8686 1188

十大娱乐老平台


Model K I O S d L1 L2 L5 L6 L7 L9 N H SW 法兰式外管尺寸对照表
A B C D
20A R3/4" Rc3/4" Rc1/2" Rp1/4" 18 49 141 197 210 127 40 10 56 24 26 11 24 16
25A R1" Rc3/4" Rc1/2" Rp3/8" 23.5 54 149 210 222 131 40 12 60 32 34 12 32 18
32A R1-1/4” Rc1" Rc1/2" Rp1/2" 30 57 161 239 253 140 48 14 68 39 40 13 38 20
40A R1-1/2” Rc1-1/4" Rc3/4" Rp3/4" 36 67 186 272 292 163 50 14 74 45 47.8 13 45 20
50A R2” Rc1-1/2" Rc1" Rp1" 45 72 212 290 310 170 46 14 97 58 60 16 57 24

如属规格品外,本公司可配合要求制作。
规格尺寸如有修改,恕不另行通知。

Copyright ©十大娱乐老平台 版权所有 闽ICP备05026600号 中机标准化研究院 网站建设:科伟网络