十大娱乐老平台

旋转接头

首页 - 产品展示

十大娱乐老平台

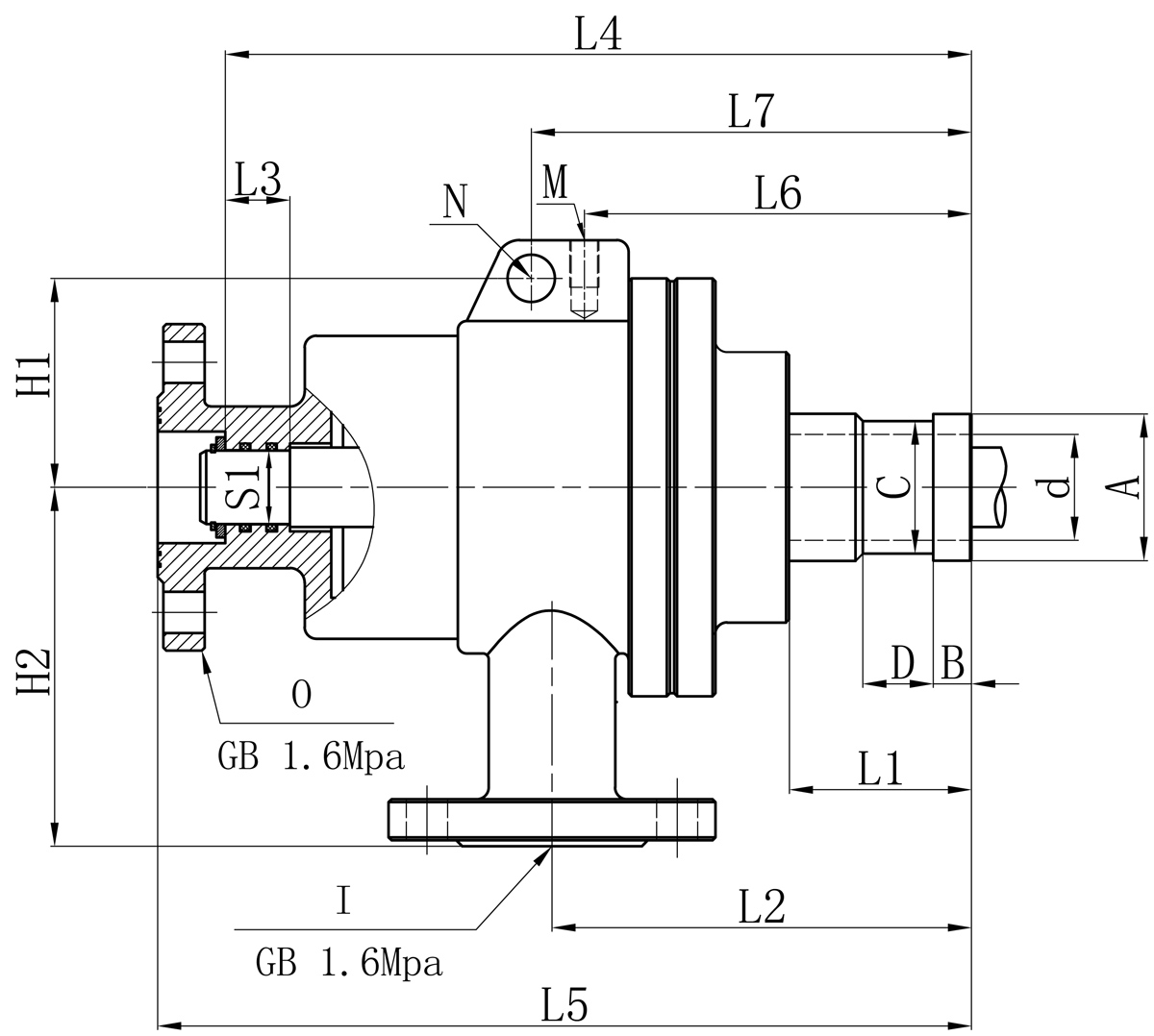
MXQ型 旋转接头 (全法兰)

型号:MXQ
外管:法兰
特征:适用于蒸汽、热油介质; 正球面或反球面密封; 标准浸锑或碳石墨密封设计; 精密铸铁壳体; 可自动调心; 偏摆适应性强。

技术参数:
适用介质 蒸汽、热油
最高温度 ≤350℃(热油)、≤220℃(蒸汽)
最高压力 ≤1.8MPa
最高转速 ≤250rpm

产品咨询 返回列表

销售服务热线:

0595-8686 1188

十大娱乐老平台


Model I O S1 d L1 L2 L3 L4 L5 L6 L7 N M H1 H2 法兰式外管尺寸对照表
A B C D
25A DN15 DN15 15 23.5 53 112 30 197 213 110 / / M10 / 100 34 10 32 18
40A DN25 DN25 25 36 63 143 22 254 277 132 150 16 M10 71 122 49.8 13 45 20
如属规格品外,本公司可配合要求制作。
规格尺寸如有修改,恕不另行通知。

Copyright ©十大娱乐老平台 版权所有 闽ICP备05026600号 中机标准化研究院 网站建设:科伟网络