十大娱乐老平台

旋转接头

首页 - 产品展示

十大娱乐老平台

MXQ3型 单通路

型号:MXQ3
外管:螺纹或法兰
特征:正球面或反球面密封; 标准碳石墨密封技术; 宽间距双无油轴承支撑; 精密铸铁壳体; 双通路设计; 密封磨损刻度线,可预防性维护设计; 旋转轴表面经耐磨损、耐腐蚀处理; 可自动调心。

技术参数:
适用介质 蒸汽、热油
最高温度 ≤350℃(热油)、≤220℃(蒸汽)
最高压力 ≤1.8MPa
最高转速 ≤200rpm

产品咨询 返回列表

销售服务热线:

0595-8686 1188

十大娱乐老平台


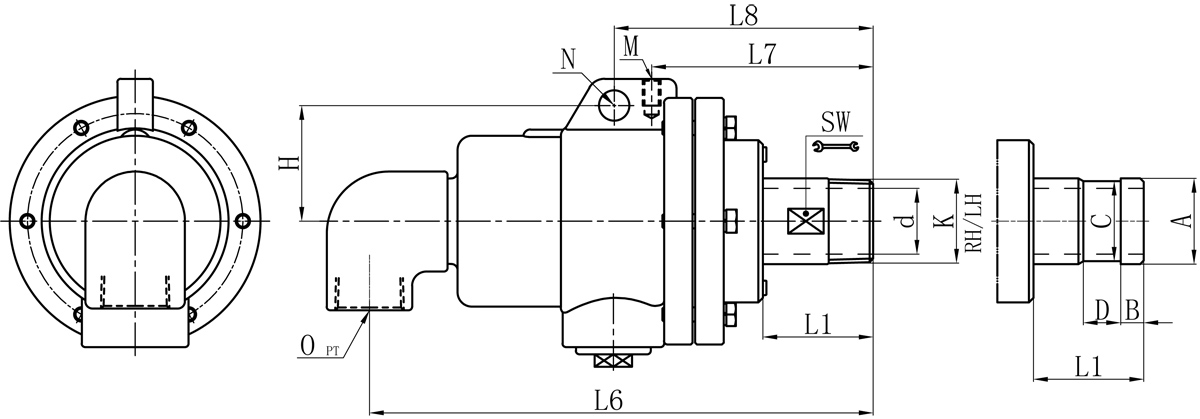
Model K O d L1 L6 L7 L8 M N H SW 法兰式外管尺寸对照表
A B C D
32A R1-1/4" Rc1-1/4" 30 55 245 108 124 M10 14 60 41 40 13 38 20
40A R1-1/2" Rc1-1/2" 36 62 280 133 149 M10 16 71 45 47.8 13 45 20

如属规格品外,本公司可配合要求制作。
规格尺寸如有修改,恕不另行通知。 

Copyright ©十大娱乐老平台 版权所有 闽ICP备05026600号 中机标准化研究院 网站建设:科伟网络