十大娱乐老平台

旋转接头

首页 - 产品展示

十大娱乐老平台

H型 单通路

型号:HD、HDF
外管:螺纹或法兰
特征:平面密封设计; 不锈钢外管; 完整均匀的流通设计; 轴承间距最大化; 外管有螺纹和快换法兰连接形式。

技术参数:
适用介质 水、空气、油
最高温度 ≤200℃(油)、≤90℃(水)
最高压力 ≤1.0MPa
最高转速 ≤1000rpm

产品咨询 返回列表

销售服务热线:

0595-8686 1188

十大娱乐老平台


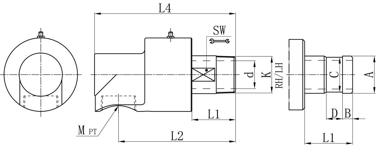
Model K M d L1 L2 L4 SW 法兰式外管尺寸对照表
A B C D
15A R1/2" Rc1/2" 13 29 85 100 20 / / / /
20A R3/4" Rc3/4" 17 39 103 121 26 26 11 24 16
25A R1" Rc1" 21 49 115 139 31 34 12 32 18
32A R1-1/4" Rc1-1/4" 30 51 134 159 41 40 13 38 13
40A R1-1/2" Rc1-1/2" 36 59 146 176 46 47.8 13 45 20
50A R2" Rc2" 46 70 191 227 57 60 16 57 24
65A R2-1/2 Rc2-1/2” 60 79 214 261 80 74 19 70 24
80A R3 Rc3” 72 85 231 285 87 87 23 84 24

如属规格品外,本公司可配合要求制作。
规格尺寸如有修改,恕不另行通知。

Copyright ©十大娱乐老平台 版权所有 闽ICP备05026600号 中机标准化研究院 网站建设:科伟网络