十大娱乐老平台

旋转接头

首页 - 产品展示

十大娱乐老平台

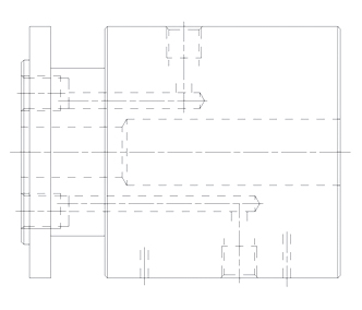
525多通路旋转接头

型号:525
外管:螺纹或法兰
特征:自支撑旋转器; 设有排出通道,防止内通道之间的泄漏; 宽间距双轴承,承受侧向载荷; 专用密封; 可提供多通道设计;

技术参数:
适用介质 液压油
最高温度 ≤80℃
最高压力 ≤16MPa
最高转速 ≤80rpm

产品咨询 返回列表

销售服务热线:

0595-8686 1188

十大娱乐老平台

本产品尺寸规格最终以客户要求为准

Copyright ©十大娱乐老平台 版权所有 闽ICP备05026600号 中机标准化研究院 网站建设:科伟网络