十大娱乐老平台

旋转接头

首页 - 产品展示

十大娱乐老平台

MXQ型 单通路

型号:MXQ
外管:螺纹或法兰
特征:球面密封设计; 标准碳石墨密封技术; 可更换性密封底盖; 最大化轴承间距; 改进型接头和虹吸器支撑; 旋转式或固定式虹吸器。

技术参数:
适用介质 热油、蒸汽
最高温度 ≤220℃(蒸汽),≤350℃(油)
最高压力 ≤1.8MPa
最高转速 20A-80A ≤250rpm; 90A-150A ≤100rpm


产品咨询 返回列表

销售服务热线:

0595-8686 1188

十大娱乐老平台


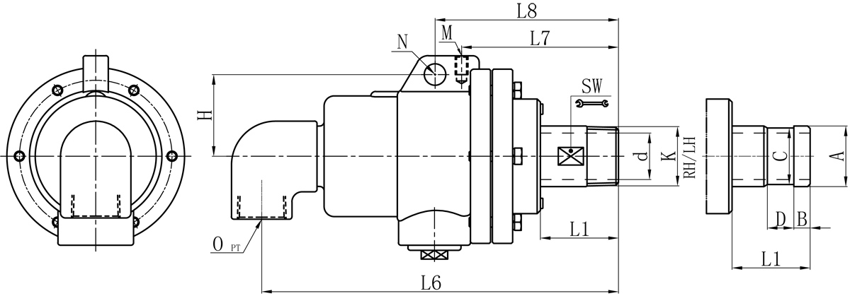
Model K O d L1 L6 L7 L8 M N H SW 法兰式外管尺寸对照表
A B C D
20A R3/4" Rc3/4" 18 46 199 96 / M10 / / 24 26 11 24 16
25A R1" Rc1" 23.5 51 212 109 / M10 / / 32 34 12 32 18
32A R1-1/4" Rc1-1/4" 30 55 245 108 124 M10 14 60 41 40 13 38 20
40A R1-1/2" Rc1-1/2" 36 62 280 133 149 M10 16 71 45 47.8 13 45 20
50A R2" Rc2" 45 71 326 150 173 M12 18 81 55 60 16 57 24
65A R2-1/2” Rc2-1/2” 58 76 368 157 183 M12 20 91 70 74 19 70 24
80A R3” Rc3” 72 87 441 187 214 M12 20 100 85 87 25 84 24

如属规格品外,本公司可配合要求制作。
规格尺寸如有修改,恕不另行通知。 

Copyright ©十大娱乐老平台 版权所有 闽ICP备05026600号 中机标准化研究院 网站建设:科伟网络