如何让您的设备遇上对的旋转接头? |
| 发布日期: 2018-08-17 浏览次数: 10085 新闻编辑: |
|
近年来,随着各产业的不断发展,对旋转接头的要求也愈来愈高,如何为设备挑选一款合适的旋转接头,让生产线运作起来更安心省力,是每个用户的希望与宿愿,今天,十大娱乐老平台便与大家分享几条关于如何为设备选择合适的旋转接头的基本方法,让您的设备遇上对的旋转接头。
一、技术参数的确认 选择合适的旋转接头,首先要确认清楚旋转接头的技术参数(使用参数)是基本保障的前提,它包括介质、温度、转速和压力。即所想要选购的旋转接头是用来通什么介质,水、油、蒸汽或空气等流体介质?介质的温度是多少?管道的压力与设备旋转的转速是多少?通过这四个基础技术要素,则大致确认了适用的旋转接头类型。
二、介质流向的确认 旋转接头的技术参数确认好之后,接下来还要确认介质流向,旋转接头的介质流向分为单通路、双通路及多通路,它是根据与旋转接头连接设备的结构来决定的: 1.如果设备的结构决定了输入介质与输出介质分别在设备的两侧实现,那么则选择单通路型旋转接头。 单通路 用于向旋转辊、滚筒、气缸等的一端供给冷却水、油或者蒸汽等流体介质,从反向端排出。
2.如果设备的结构决定了输入介质与输出介质在设备的同一侧实现,那么则选择双通路型旋转接头。 注:双通路型旋转接头还需确认内管形式,即固定式亦或旋转式,根据不同工况条件,进行针对性配型。 ①双通路内管固定式 用于向旋转辊、气缸或者滚筒之中供给蒸汽或者水、油,从同一端排出。
②双通路内管固定式 此型不同处为烘缸內设有虹吸管,冷凝水通过虹吸管排出,此型多用于蒸汽。
③双通路内管旋转式 向旋转中的辊、气缸、滚筒等之中供给或者排出水、蒸汽、热水或者热油时,内管也必须一起旋转的情况下使用。
3.如果设备要求同时输送多种介质或将介质输出送到多个位置时应考虑选用多通路型旋转接头。
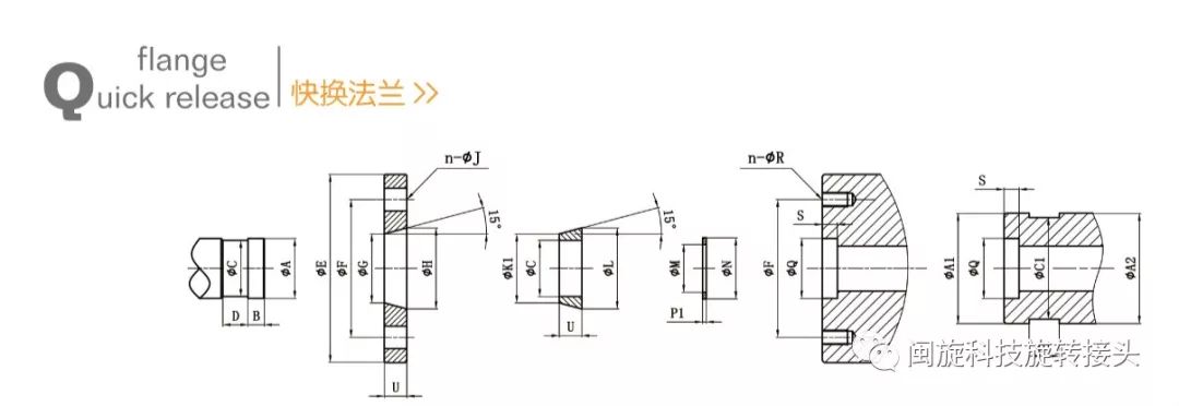
多通路旋转接头之一 三、旋转接头连接形式及尺寸的确认 旋转接头是将流体介质由固定管道输送到旋转或摆旋一个角度的管道、设备中的流体动密封装置,在动态设备与静态管道中间承担着连接、密封的重要角色,其连接形式及尺寸,最终决定着购买到手的旋转接头是否能“配得上”您的设备。 因此首先根据设备与旋转接头连接结构形式来确定是螺纹连接还是法兰连接,其中如果选择螺纹式连接的旋转接头,则需区分外螺纹或内螺纹,并明确设备的旋转方向(若在安装旋转接头的一侧观察到设备是顺时针运转,则旋转接头应选左旋螺纹,反之则同理),如果选择法兰式连接,则需确认法兰连接形式,大致可分为内螺纹法兰连接、快换法兰式连接(卡口式法兰)、焊接法兰式连接、整体法兰式连接。
确认完旋转接头的连接方式后,还需确认其连接尺寸,即旋转接头与设备的连接尺寸,双通路旋转接头还需确认内管尺寸。若为螺纹连接旋转接头需确认其通径、外径及牙距;若为法兰式连接,则根据法兰连接形式确认相应的尺寸。 例:快换法兰式连接确认尺寸图
此外,还需提供旋转接头与金属软管相连的接口形式及尺寸。
四、其它考虑因素 选择一款合适的旋转接头,除确认以上三大要素外,同时也可考虑其它综合要素,如旋转接头的品牌、制造商的服务、售后、交期等因素,以使旋转接头发挥到最大工效并用得称心、舒心。 最后,当您要选择或购买旋转接头时,一定要清楚的知道旋转接头用在哪里、技术参数(若旋转接头上有标牌亦可直接报予制造厂,更便于直接选型参照)、有无其他特殊要求,与相关方多多沟通,以期选购到一款最合适的旋转接头。
每一段相遇,都是命运中最好的安排,为您的设备提供安全输送流体介质的最佳产品,是我们持之努力的方向,爱和信任,都要用心经营,用心守候,十大娱乐老平台愿为您的生产线保驾护航,一起与您走幸福路。 |


登录
注册
English





